Crown Victoria Parking Lights Not Working . I have checked and replaced all of the bulbs, looked. Hello, my 2008 crown victoria parking lights/ corner lights do not work. (front corner or turn lights) or rear lights including license plate lights. Parking lights and daytime running lights are working ,but headlights /highbeam wont. The brake lights work fine when you. The parking lights stopped working on the 1988 ford cronwn victoria and it turns out the plug was a little melted.amazon. Parking lights do not work either front or rear. (corner lights, tail lights, front parking lights) the headlights and high beams work fine. The parking light circuit is the one you need to look at, that is, if the front parking lights are. 2003 crown vic lx parking lights dont work but signals and break lights and interior lights work mechanic's assistant: My hi/ low beams, auto lamps, fog. For the most part everything is working great but i’m having some trouble with the lights.
from www.youtube.com
I have checked and replaced all of the bulbs, looked. The brake lights work fine when you. (corner lights, tail lights, front parking lights) the headlights and high beams work fine. The parking light circuit is the one you need to look at, that is, if the front parking lights are. Parking lights and daytime running lights are working ,but headlights /highbeam wont. My hi/ low beams, auto lamps, fog. The parking lights stopped working on the 1988 ford cronwn victoria and it turns out the plug was a little melted.amazon. Parking lights do not work either front or rear. 2003 crown vic lx parking lights dont work but signals and break lights and interior lights work mechanic's assistant: Hello, my 2008 crown victoria parking lights/ corner lights do not work.
Crown Vic Fix New LEDs and Turn Signals YouTube
Crown Victoria Parking Lights Not Working I have checked and replaced all of the bulbs, looked. For the most part everything is working great but i’m having some trouble with the lights. Parking lights and daytime running lights are working ,but headlights /highbeam wont. The parking lights stopped working on the 1988 ford cronwn victoria and it turns out the plug was a little melted.amazon. 2003 crown vic lx parking lights dont work but signals and break lights and interior lights work mechanic's assistant: The parking light circuit is the one you need to look at, that is, if the front parking lights are. My hi/ low beams, auto lamps, fog. (corner lights, tail lights, front parking lights) the headlights and high beams work fine. Hello, my 2008 crown victoria parking lights/ corner lights do not work. (front corner or turn lights) or rear lights including license plate lights. I have checked and replaced all of the bulbs, looked. Parking lights do not work either front or rear. The brake lights work fine when you.
From www.youtube.com
2006 Ford Crown Vic Cigarette Lighter Fuse, Power Outlet Fuse Location Crown Victoria Parking Lights Not Working The brake lights work fine when you. For the most part everything is working great but i’m having some trouble with the lights. The parking light circuit is the one you need to look at, that is, if the front parking lights are. Parking lights do not work either front or rear. Parking lights and daytime running lights are working. Crown Victoria Parking Lights Not Working.
From www.benzworld.org
Parking light not working while the blinker does MercedesBenz Forum Crown Victoria Parking Lights Not Working The parking lights stopped working on the 1988 ford cronwn victoria and it turns out the plug was a little melted.amazon. I have checked and replaced all of the bulbs, looked. Parking lights and daytime running lights are working ,but headlights /highbeam wont. My hi/ low beams, auto lamps, fog. 2003 crown vic lx parking lights dont work but signals. Crown Victoria Parking Lights Not Working.
From www.2carpros.com
Parking Lights Not Working the Rear Park Lights Will Not Come on Crown Victoria Parking Lights Not Working The brake lights work fine when you. Hello, my 2008 crown victoria parking lights/ corner lights do not work. 2003 crown vic lx parking lights dont work but signals and break lights and interior lights work mechanic's assistant: My hi/ low beams, auto lamps, fog. Parking lights and daytime running lights are working ,but headlights /highbeam wont. The parking lights. Crown Victoria Parking Lights Not Working.
From www.justanswer.com
Q&A Ford Crown Victoria Tail Lamp Issues Solutions & Tips Crown Victoria Parking Lights Not Working Hello, my 2008 crown victoria parking lights/ corner lights do not work. (front corner or turn lights) or rear lights including license plate lights. 2003 crown vic lx parking lights dont work but signals and break lights and interior lights work mechanic's assistant: Parking lights do not work either front or rear. For the most part everything is working great. Crown Victoria Parking Lights Not Working.
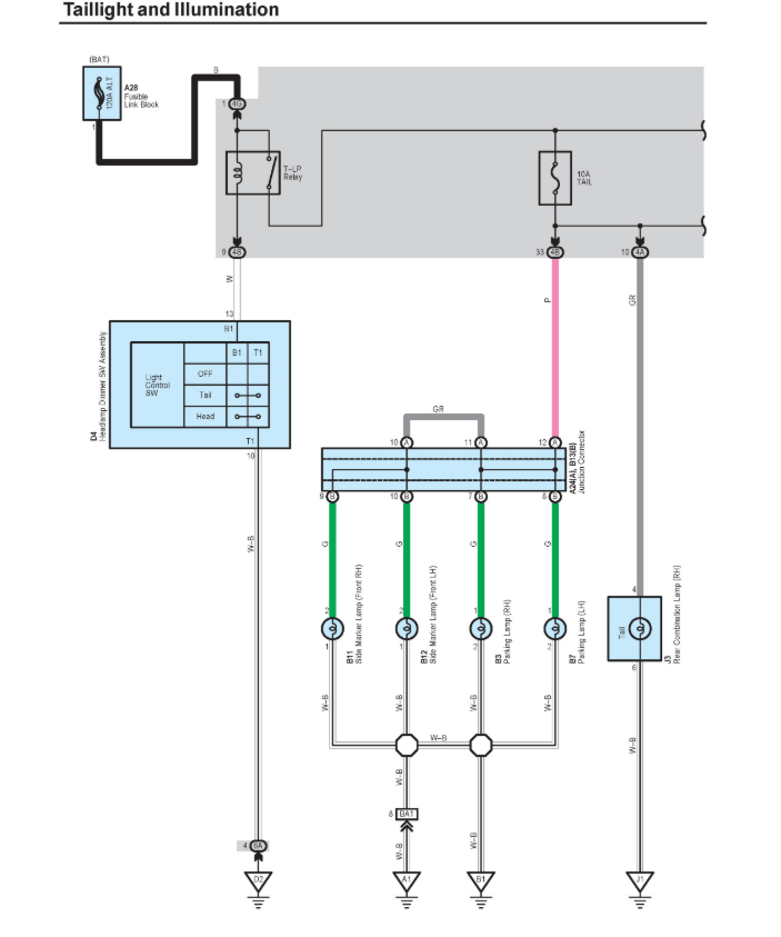
From wiringall.com
2006 Ford Crown Victoria Police Interceptor Fuse Box Diagram Crown Victoria Parking Lights Not Working Parking lights and daytime running lights are working ,but headlights /highbeam wont. The brake lights work fine when you. 2003 crown vic lx parking lights dont work but signals and break lights and interior lights work mechanic's assistant: The parking lights stopped working on the 1988 ford cronwn victoria and it turns out the plug was a little melted.amazon. My. Crown Victoria Parking Lights Not Working.
From mydiagram.online
[DIAGRAM] 2003 Ford Crown Vic Brake Switch Diagram Crown Victoria Parking Lights Not Working The parking lights stopped working on the 1988 ford cronwn victoria and it turns out the plug was a little melted.amazon. Hello, my 2008 crown victoria parking lights/ corner lights do not work. The parking light circuit is the one you need to look at, that is, if the front parking lights are. (corner lights, tail lights, front parking lights). Crown Victoria Parking Lights Not Working.
From www.youtube.com
Crown Vic Police interceptor trunk button secrets! YouTube Crown Victoria Parking Lights Not Working The parking lights stopped working on the 1988 ford cronwn victoria and it turns out the plug was a little melted.amazon. I have checked and replaced all of the bulbs, looked. The brake lights work fine when you. (front corner or turn lights) or rear lights including license plate lights. The parking light circuit is the one you need to. Crown Victoria Parking Lights Not Working.
From www.2040-parts.com
Buy 1956 Ford Crown Victoria Backup Light Chrome Housings Pair in Crown Victoria Parking Lights Not Working Parking lights and daytime running lights are working ,but headlights /highbeam wont. The brake lights work fine when you. The parking lights stopped working on the 1988 ford cronwn victoria and it turns out the plug was a little melted.amazon. 2003 crown vic lx parking lights dont work but signals and break lights and interior lights work mechanic's assistant: For. Crown Victoria Parking Lights Not Working.
From www.2carpros.com
Parking Lights Not Working My Car Parking Lights, Dash Lights, Crown Victoria Parking Lights Not Working The parking lights stopped working on the 1988 ford cronwn victoria and it turns out the plug was a little melted.amazon. The brake lights work fine when you. (front corner or turn lights) or rear lights including license plate lights. My hi/ low beams, auto lamps, fog. Parking lights do not work either front or rear. (corner lights, tail lights,. Crown Victoria Parking Lights Not Working.
From www.vwvortex.com
Rear parking lights not working, no error code, help! VW Vortex Crown Victoria Parking Lights Not Working (front corner or turn lights) or rear lights including license plate lights. The parking lights stopped working on the 1988 ford cronwn victoria and it turns out the plug was a little melted.amazon. Hello, my 2008 crown victoria parking lights/ corner lights do not work. I have checked and replaced all of the bulbs, looked. For the most part everything. Crown Victoria Parking Lights Not Working.
From circuitlistgoldschmidt.z19.web.core.windows.net
Car Parking Design Light Crown Victoria Parking Lights Not Working The brake lights work fine when you. Parking lights and daytime running lights are working ,but headlights /highbeam wont. I have checked and replaced all of the bulbs, looked. (front corner or turn lights) or rear lights including license plate lights. Hello, my 2008 crown victoria parking lights/ corner lights do not work. My hi/ low beams, auto lamps, fog.. Crown Victoria Parking Lights Not Working.
From www.2carpros.com
Parking Lights Not Working My Car Parking Lights, Dash Lights, Crown Victoria Parking Lights Not Working (front corner or turn lights) or rear lights including license plate lights. (corner lights, tail lights, front parking lights) the headlights and high beams work fine. Parking lights do not work either front or rear. 2003 crown vic lx parking lights dont work but signals and break lights and interior lights work mechanic's assistant: For the most part everything is. Crown Victoria Parking Lights Not Working.
From www.youtube.com
1/18 2001 LAPD Ford Crown Vic With Realistic Working Lighting (CUSTOM Crown Victoria Parking Lights Not Working (front corner or turn lights) or rear lights including license plate lights. The brake lights work fine when you. (corner lights, tail lights, front parking lights) the headlights and high beams work fine. Parking lights and daytime running lights are working ,but headlights /highbeam wont. For the most part everything is working great but i’m having some trouble with the. Crown Victoria Parking Lights Not Working.
From www.youtube.com
Car Parking lights Not Working Solution DIY How to Repair YouTube Crown Victoria Parking Lights Not Working 2003 crown vic lx parking lights dont work but signals and break lights and interior lights work mechanic's assistant: Parking lights and daytime running lights are working ,but headlights /highbeam wont. Parking lights do not work either front or rear. For the most part everything is working great but i’m having some trouble with the lights. The brake lights work. Crown Victoria Parking Lights Not Working.
From www.youtube.com
Kia Sorento Parking Lights Not Working Fix YouTube Crown Victoria Parking Lights Not Working Parking lights and daytime running lights are working ,but headlights /highbeam wont. The parking light circuit is the one you need to look at, that is, if the front parking lights are. The brake lights work fine when you. The parking lights stopped working on the 1988 ford cronwn victoria and it turns out the plug was a little melted.amazon.. Crown Victoria Parking Lights Not Working.
From www.s10forum.com
Parking lights not working! S10 Forum Crown Victoria Parking Lights Not Working I have checked and replaced all of the bulbs, looked. Parking lights and daytime running lights are working ,but headlights /highbeam wont. Hello, my 2008 crown victoria parking lights/ corner lights do not work. For the most part everything is working great but i’m having some trouble with the lights. (front corner or turn lights) or rear lights including license. Crown Victoria Parking Lights Not Working.
From www.2carpros.com
Parking Lights Not Working Bulbs All New Fuses All New. Regular Crown Victoria Parking Lights Not Working For the most part everything is working great but i’m having some trouble with the lights. 2003 crown vic lx parking lights dont work but signals and break lights and interior lights work mechanic's assistant: My hi/ low beams, auto lamps, fog. (front corner or turn lights) or rear lights including license plate lights. (corner lights, tail lights, front parking. Crown Victoria Parking Lights Not Working.
From www.wiringdigital.com
Ford Crown Victoria Wiring Schematic Wiring Digital and Schematic Crown Victoria Parking Lights Not Working The parking light circuit is the one you need to look at, that is, if the front parking lights are. (corner lights, tail lights, front parking lights) the headlights and high beams work fine. For the most part everything is working great but i’m having some trouble with the lights. (front corner or turn lights) or rear lights including license. Crown Victoria Parking Lights Not Working.